Filtruoti
Gamintojas
Ilgis (mm)
Sriegio dydis
Išorinis skersmuo (mm)
Papildomas straipsnis / informacija 2
Stabdžių disko tipas
Sandariklio skersmuo (mm)
Yra kituose sandėliuose
OSSCA 18849 Ieškoti analogų

Likučiai sandėlyje
Pristatymas 1-2 d.d. /užsak. iki 16 h 5 vnt.
Kaina:
į krepšelį
MAXGEAR 19-4783 Ieškoti analogų

stabdžių diskas (1vnt)

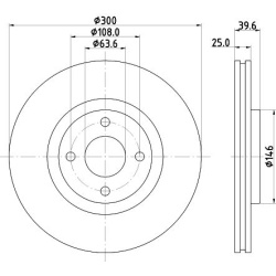
  • Aukštis (mm): 39,6
  • Išorinis skersmuo (mm): 300
  • Papildomas straipsnis / informacija 2: Be rato stebulės
  • Papildomas straipsnis / informacija 2: Be rato tvirtinimo smeigių
  • Stabdžių disko storis (mm): 25
  • Stabdžių disko tipas: Vidinis ventiliavimas
Likučiai sandėlyje
Pristatymas 1-2 d.d. /užsak. iki 17 h >10 vnt.
Kaina:
į krepšelį
GSP 808002 Ieškoti analogų

pusašio šarnyras

  • Ilgis (mm): 158,5
  • Ilgis (mm): 159
  • Išorinis dantr. rato pusėje: 22
  • Krumplių skaičius, ABS žiedas: 47
  • Sandariklio skersmuo (mm): 52
  • Specifikacija: Outer groove
  • Sriegio dydis: M20x1,5
  • Techninės informacijos numeris: Outer groove
  • Vidinis krumplys, rato pusė: 29
Likučiai sandėlyje
Pristatymas 1-2 d.d. /užsak. iki 16 h 2 vnt.
Kaina:
į krepšelį
TEXTAR 92315503 Ieškoti analogų

stabdžių diskas (1vnt) PRO

  • Angos apskritimo skersmuo (mm): 108
  • Angų išdėstymas / skaičius: 04/04
  • Aukštis (mm): 39,6
  • Centravimo skersmuo (mm): 63,6
  • Išorinis skersmuo (mm): 300
  • Minimalus storis (mm): 23
  • Pakuotės aukštis (cm): 10
  • Pakuotės ilgis (cm): 31,3
  • Pakuotės plotis (cm): 31,3
  • Papildomas straipsnis / informacija 2: Be rato guolio
  • Papildomas straipsnis / informacija 2: Be rato stebulės
  • Papildomas straipsnis / informacija 2: Be rato tvirtinimo smeigių
  • Paviršius: Padengta
  • Rato kaiščio angos skersmuo (mm): 14
  • Rato tvirtinimo smeigės angos Ø (mm): 14
  • Stabdžių disko storis (mm): 25
  • Stabdžių disko tipas: Vidinis ventiliavimas
  • Vidinis skersmuo (mm): 135,6
Likučiai sandėlyje
Pristatymas 1-2 d.d. /užsak. iki 17 h >10 vnt.
Kaina:
į krepšelį
Nėra sandėlyje
KAMOKA 6747 Ieškoti analogų

pusašio šarnyras

  • Išorinis dantr. rato pusėje: 22
  • Jungties tipas: CV sujungimas
  • Krumplių skaičius, ABS žiedas: 47
  • Mechanizuota: Su grioveliu vidiniame komponente
  • Montavimo vieta: Rato pusė
  • Sandariklio skersmuo (mm): 52
  • Vidinis krumplys, rato pusė: 29
Kaina:
HYUNDAI/KIA 1884908080 Ieškoti analogų

Kaina:
CIFAM 607-401 Ieškoti analogų

pusašio šarnyras

  • Gofruotosios membranos medžiaga: Guma
  • Išorinis dantr. rato pusėje: 22
  • Išorinis skersmuo (mm): 85,7
  • Krumplių skaičius, ABS žiedas: 47
  • Mechanizuota: Be griovelio vidiniame komponente
  • Sandariklio skersmuo (mm): 52
  • Sriegio dydis: M20 x 1,5
  • Sriegio dydis: M20x1.5
  • Vidinis krumplys, rato pusė: 29
Kaina:
MINTEX MDC2932C Ieškoti analogų

stabdžių diskas (1vnt)

  • Angos apskritimo skersmuo (mm): 108
  • Angų išdėstymas / skaičius: 04/04
  • Aukštis (mm): 39,6
  • Centravimo skersmuo (mm): 63,6
  • Išorinis skersmuo (mm): 300
  • Minimalus storis (mm): 23
  • Pakuotės aukštis (cm): 10
  • Pakuotės ilgis (cm): 31,3
  • Pakuotės plotis (cm): 31,3
  • Papildomas straipsnis / informacija 2: Be rato guolio
  • Papildomas straipsnis / informacija 2: Be rato stebulės
  • Papildomas straipsnis / informacija 2: Be rato tvirtinimo smeigių
  • Paviršius: Padengta
  • Rato kaiščio angos skersmuo (mm): 14
  • Rato tvirtinimo smeigės angos Ø (mm): 14
  • Stabdžių disko storis (mm): 25
  • Stabdžių disko tipas: Vidinis ventiliavimas
  • Vidinis skersmuo (mm): 135,6
Kaina:
CIFAM 800-1891C Ieškoti analogų

stabdžių diskas (1vnt)

  • Angos apskritimo skersmuo (mm): 63,6
  • Angų skaičius: 4
  • Aukštis (mm): 39,6
  • Centravimo skersmuo (mm): 63,6
  • Išorinis skersmuo (mm): 300,0
  • Paviršius: Nudažyta
  • Sertifikacija: ECE-R90
  • Stabdžių disko storis (mm): 25,0
  • Stabdžių disko tipas: Ventiliuojama
Kaina:
SKF VKJA 5607 Ieškoti analogų

pusašio šarnyras

  • Išorinis dantr. rato pusėje: 22
  • Krumplių skaičius, ABS žiedas: 47
  • Sandariklio skersmuo (mm): 52
  • Vidinis krumplys, rato pusė: 29
Kaina:
ZIMMERMANN 250.5713.20 Ieškoti analogų

stabdžių diskas (1vnt) COAT Z

  • Angos apskritimo skersmuo (mm): 108
  • Angų išdėstymas / skaičius: 4/4
  • Aukštis (mm): 40
  • Centravimo skersmuo (mm): 64
  • Išorinis skersmuo (mm): 300
  • Minimalus storis (mm): 23
  • Paviršius: Padengta
  • Sertifikacija: ECE R90 APPROVED
  • Stabdžių disko storis (mm): 25
  • Stabdžių disko tipas: Vidinis ventiliavimas
  • žiedų angų skaičius: 4
Kaina:
LÖBRO 303892 Ieškoti analogų

jungčių komplektas, kardaninis velenas

  • ABS žiedo skersmuo (mm): 84
  • ABS žiedo Ø (mm): 84
  • ABS žiedo Ø (mm): 84,00
  • Gofruotosios membranos medžiaga: TPE (termoplastinis elastomeras)
  • Ilgis (mm): 158
  • Ilgis (mm): 158,0
  • Išorinis dantr. rato pusėje: 22
  • Jungties skersmuo (mm): 81,60
  • Jungties skersmuo (mm): 82
  • Jungties tipas: CV sujungimas
  • Krumplių skaičius, ABS žiedas: 47
  • Mechanizuota: Su grioveliu vidiniame komponente
  • Papildomas gaminys / papildoma informacija: Su tepalais
  • Sandariklio skersmuo (mm): 52
  • Sandariklio skersmuo (mm): 52,00
  • Sriegio dydis: M20x1.5
  • Vidinis krumplys, rato pusė: 29
Kaina:
FEBI BILSTEIN 175267 Ieškoti analogų

valdymo vožtuvas, skirstomojo veleno reguliatorius febi Plus

  • Montavimo vieta: įleidimo pusė
  • OE numeriui: 24355-2B000
Kaina:
ZIMMERMANN 250.5713.52 Ieškoti analogų

stabdžių diskas (1vnt) SPORT Z

  • Angos apskritimo skersmuo (mm): 108
  • Angų išdėstymas / skaičius: 4/4
  • Aukštis (mm): 40
  • Centravimo skersmuo (mm): 64
  • Išorinis skersmuo (mm): 300
  • Minimalus storis (mm): 23
  • Paviršius: Padengta
  • Sertifikacija: ECE R90 APPROVED
  • Stabdžių disko storis (mm): 25
  • Stabdžių disko tipas: Perforuota
  • Stabdžių disko tipas: Vidinis ventiliavimas
  • žiedų angų skaičius: 4
Kaina: