Filtruoti
Gamintojas
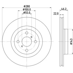
Aukštis (mm)
Angos apskritimo skersmuo (mm)
Paviršius
Papildomas straipsnis / informacija 2
Centravimo skersmuo (mm)
Išorinis skersmuo (mm)
Yra kituose sandėliuose
KAMOKA 103003 Ieškoti analogų

stabdžių diskas (1vnt)

  • Angos apskritimo skersmuo (mm): 100
  • Angų skaičius: 4
  • Aukštis (mm): 47
  • Centravimo skersmuo (mm): 55
  • Išorinis skersmuo (mm): 280
  • Montavimo vieta: Priekinė ašis
  • Paviršius: Padengta
  • Stabdžių disko storis (mm): 22
  • Stabdžių disko tipas: Ventiliuojama
Likučiai sandėlyje
Pristatymas 1-2 d.d. /užsak. iki 16 h 4 vnt.
Kaina:
į krepšelį
JAPKO 602051C Ieškoti analogų

stabdžių diskas (1vnt)

  • Angos apskritimo skersmuo (mm): 55
  • Angų skaičius: 4
  • Aukštis (mm): 46
  • Išorinis skersmuo (mm): 280
  • Minimalus storis (mm): 20
  • Montavimo vieta: Priekinė ašis
  • OE numeriui: 435120D210
  • Paviršius: Nudažyta
  • Stabdžių disko storis (mm): 22
  • Stabdžių disko tipas: Ventiliuojama
Likučiai sandėlyje
Pristatymas 1-2 d.d. /užsak. iki 16 h 6 vnt.
Kaina:
į krepšelį
FEBI BILSTEIN 108540 Ieškoti analogų

stabdžių diskas (1vnt)

  • Angos apskritimo skersmuo (mm): 100
  • Angų skaičius: 4
  • Centravimo skersmuo (mm): 55
  • Išorinis skersmuo (mm): 280
  • Išorinis skersmuo (mm): 280,0
  • Minimalus storis (mm): 20
  • Montavimo angų skaičius: 4
  • Montavimo vieta: Priekinė ašis
  • Paviršius: Padengta
  • Stabdžių disko storis (mm): 22
  • Stabdžių disko tipas: Vidinis ventiliavimas
  • Storis (mm): 46,1
  • žiedų angų skaičius: 4
Likučiai sandėlyje
Pristatymas 1-2 d.d. /užsak. iki 16 h 6 vnt.
Kaina:
į krepšelį
ATE 24.0122-0311.1 Ieškoti analogų

stabdžių diskas (1vnt)

  • Angos apskritimo skersmuo (mm): 100,0
  • Angos skersmuo (mm): 14,6
  • Angos Ø (mm): 14,6
  • Angų skaičius: 4
  • Aukštis (mm): 46,2
  • Aukštis (mm): 47,2
  • Centravimo skersmuo (mm): 55,0
  • Išorinis skersmuo (mm): 280,0
  • Minimalus storis (mm): 20,0
  • Paviršius: Padengta
  • Sertifikacija: E1 90R-02C0115/1125
  • Stabdžių disko storis (mm): 22,0
  • Stabdžių disko tipas: Ventiliuojama
  • Vidinis skersmuo (mm): 131,0
Likučiai sandėlyje
Pristatymas 1-2 d.d. /užsak. iki 16 h 4 vnt.
Kaina:
į krepšelį
TEXTAR 92287603 Ieškoti analogų

stabdžių diskas (1vnt) PRO

  • Angos apskritimo skersmuo (mm): 100
  • Angų išdėstymas / skaičius: 04/06
  • Aukštis (mm): 46,2
  • Centravimo skersmuo (mm): 55
  • Išorinis skersmuo (mm): 280
  • Minimalus storis (mm): 20
  • Pakuotės aukštis (cm): 12
  • Pakuotės aukštis (cm): 12,7
  • Pakuotės ilgis (cm): 30,8
  • Pakuotės ilgis (cm): 33
  • Pakuotės plotis (cm): 30,8
  • Pakuotės plotis (cm): 31,5
  • Papildomas straipsnis / informacija 2: Be rato guolio
  • Papildomas straipsnis / informacija 2: Be rato stebulės
  • Papildomas straipsnis / informacija 2: Be rato tvirtinimo smeigių
  • Paviršius: Padengta
  • Rato kaiščio angos skersmuo (mm): 14,3
  • Stabdžių disko storis (mm): 22
  • Stabdžių disko tipas: Vidinis ventiliavimas
  • Techninės informacijos numeris: 98200 2876 0 1 PRO
  • Vidinis skersmuo (mm): 131
Likučiai sandėlyje
Pristatymas 1-2 d.d. /užsak. iki 17 h >10 vnt.
Kaina:
į krepšelį
BOSCH 0986479E37 Ieškoti analogų

stabdžių diskas (1vnt)

  • Angos apskritimo skersmuo (mm): 100
  • Angos skersmuo iki (mm): 14,5
  • Angų skaičius: 4
  • Atitinka ECE normą: ECE-R90
  • Aukštis (mm): 46,2
  • Centravimo skersmuo (mm): 55
  • Išorinis skersmuo (mm): 280
  • Minimalus storis (mm): 20
  • Paviršius: Padengta alyva
  • Stabdžių disko storis (mm): 22
  • Stabdžių disko tipas: Ventiliuojama
  • Užbaigimas: Pastiprinta anglis
Likučiai sandėlyje
Pristatymas 1-2 d.d. /užsak. iki 17 h 10 vnt.
Kaina:
į krepšelį
Nėra sandėlyje
JAPANPARTS DI-2051C Ieškoti analogų

stabdžių diskas (1vnt)

  • Angos apskritimo skersmuo (mm): 55
  • Angų skaičius: 4
  • Aukštis (mm): 46
  • Išorinis skersmuo (mm): 280
  • Minimalus storis (mm): 20
  • Montavimo vieta: Priekinė ašis
  • OE numeriui: 435120D210
  • Paviršius: Nudažyta
  • Stabdžių disko storis (mm): 22
  • Stabdžių disko tipas: Ventiliuojama
Kaina:
ASHIKA 60-02-2051C Ieškoti analogų

stabdžių diskas (1vnt)

  • Angos apskritimo skersmuo (mm): 55
  • Angų skaičius: 4
  • Aukštis (mm): 46
  • Išorinis skersmuo (mm): 280
  • Minimalus storis (mm): 20
  • Montavimo vieta: Priekinė ašis
  • OE numeriui: 435120D210
  • Paviršius: Nudažyta
  • Stabdžių disko storis (mm): 22
  • Stabdžių disko tipas: Ventiliuojama
Kaina:
A.B.S. 18542 Ieškoti analogų

stabdžių diskas (1vnt)

  • Angos apskritimo skersmuo (mm): 100
  • Aukštis (mm): 46,1
  • Aukštis (mm): 46,2
  • Centravimo skersmuo (mm): 55
  • Išorinis skersmuo (mm): 280
  • Minimalus storis (mm): 20
  • Paviršius: Padengta
  • Rato tvirtinimo smeigės angos Ø: 100
  • Rato tvirtinimo smeigės angos Ø (mm): 100
  • Stabdžių disko storis (mm): 22
  • Stabdžių disko tipas: Ventiliuojama
  • Stebulės skersmuo (mm): 143
  • Stebulės skersmuo (mm): 55
  • žiedų angų skaičius: 4
Kaina:
CIFAM 800-1893C Ieškoti analogų

stabdžių diskas

  • Angos apskritimo skersmuo (mm): 55,0
  • Angų skaičius: 4
  • Aukštis (mm): 46,2
  • Centravimo skersmuo (mm): 55,0
  • Išorinis skersmuo (mm): 280,0
  • Minimalus storis (mm): 20,0
  • Paviršius: Nudažyta
  • Stabdžių disko storis (mm): 22,0
  • Stabdžių disko tipas: Ventiliuojama
Kaina:
BREMBO 09.D573.11 Ieškoti analogų

stabdžių diskas

  • Angų skaičius: 4
  • Aukštis (mm): 46
  • Centravimo skersmuo (mm): 55
  • Išorinis skersmuo (mm): 280
  • Minimalus storis (mm): 20
  • Paviršius: Padengta
  • Stabdžių disko storis (mm): 22
  • Stabdžių disko tipas: Vidinis ventiliavimas
Kaina:
MINTEX MDC2763 Ieškoti analogų

stabdžių diskas (1vnt)

  • Angos apskritimo skersmuo (mm): 100
  • Angų išdėstymas / skaičius: 04/06
  • Aukštis (mm): 46,2
  • Centravimo skersmuo (mm): 55
  • Išorinis skersmuo (mm): 280
  • Minimalus storis (mm): 20
  • Pakuotės aukštis (cm): 12
  • Pakuotės aukštis (cm): 12,7
  • Pakuotės ilgis (cm): 30,8
  • Pakuotės ilgis (cm): 33
  • Pakuotės plotis (cm): 30,8
  • Pakuotės plotis (cm): 31,5
  • Papildomas straipsnis / informacija 2: Be rato guolio
  • Papildomas straipsnis / informacija 2: Be rato stebulės
  • Papildomas straipsnis / informacija 2: Be rato tvirtinimo smeigių
  • Rato kaiščio angos skersmuo (mm): 14,3
  • Rato tvirtinimo smeigės angos Ø (mm): 14,3
  • Stabdžių disko storis (mm): 22
  • Stabdžių disko tipas: Vidinis ventiliavimas
  • Vidinis skersmuo (mm): 131
Kaina:
BLUE PRINT ADT343309 Ieškoti analogų

stabdžių diskas

  • Angos apskritimo skersmuo (mm): 100
  • Angų skaičius: 4
  • Centravimo skersmuo (mm): 55
  • Išorinis skersmuo (mm): 280
  • Išorinis skersmuo (mm): 280,0
  • Minimalus storis (mm): 20
  • Montavimo angų skaičius: 4
  • Montavimo vieta: Priekinė ašis
  • Paviršius: Padengta
  • Stabdžių disko storis (mm): 22
  • Stabdžių disko tipas: Vidinis ventiliavimas
  • Storis (mm): 46
  • Storis (mm): 46,1
  • žiedų angų skaičius: 4
Kaina:
ZIMMERMANN 590.2831.20 Ieškoti analogų

stabdžių diskas (1vnt) COAT Z

  • Angos apskritimo skersmuo (mm): 100
  • Angų išdėstymas / skaičius: 6/4
  • Aukštis (mm): 46
  • Centravimo skersmuo (mm): 55
  • Išorinis skersmuo (mm): 280
  • Minimalus storis (mm): 20,0
  • Paviršius: Padengta
  • Sertifikacija: ECE R90 APPROVED
  • Stabdžių disko storis (mm): 22
  • Stabdžių disko tipas: Vidinis ventiliavimas
  • žiedų angų skaičius: 4
Kaina: